Články
Kategorie: /
Články & návody
/
Technická data
/
Elektrika
/
El. schémata
El schemy
Hlavni popis elektriky / Main elektro description
- PDF, 700kb, english
Citroen BX/BX14 (1983>)
Scheme 1
Scheme 2
Scheme 3
Scheme 4
Popis / Description
Popis2 / Description2
Citroen BX16 (1983>)
Scheme 1
Scheme 2
Scheme 3
Scheme 4
Popis / Description
Popis2 / Description2
CItroen BX16 RS Estate (1985>)
Scheme1
CItroen BX19/GT
Scheme 1
Scheme 2
Scheme 3
Scheme 4
Popis / Description
Popis2 / Description2
Poistkova skrina/Fuse box
Scheme 1
Alternator bežná schéma /
Alternator common scheme
Scheme 1
Citroen BX/BX14 (1988>)
Scheme 1
Scheme 2
Scheme 3
Scheme 4
Scheme 5
Scheme 6
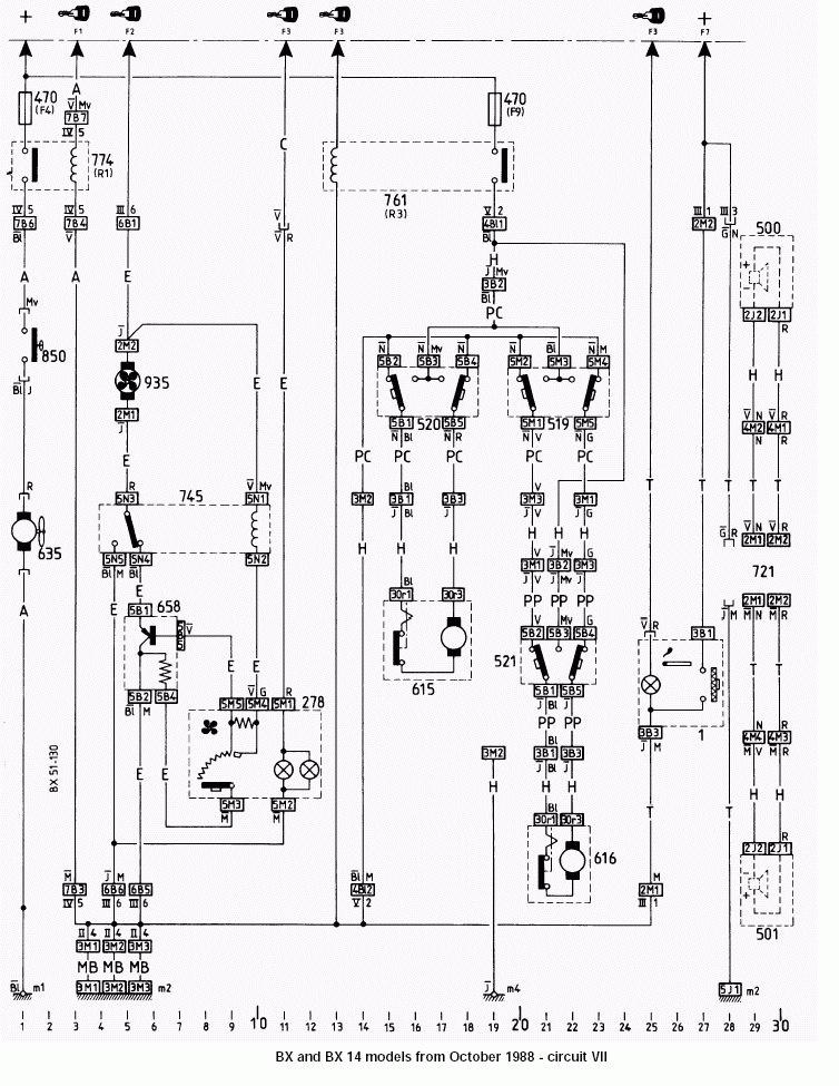
Scheme 7
Popis / Description
Popis2 / Description2
Citroen BX16 Automat
Scheme 1
Popis / Description
Citroen BX14/16/17D/19/19D (1988>)
Scheme 1
Scheme 2
Scheme 3
Scheme 4
Scheme 5
Scheme 6
Scheme 7
Scheme 8
- dashboard ( palubni deska )
Scheme 9
- central locking
Scheme 10
- speakers / repro
Popis / Description
Popis2 / Description2
Prídavné svetlá/Dip-dim lights
Scheme 1
Popis / Description
Vysvetlivky k elektrickym schemam / Electric schemes general info 1
Vysvetlivky k elektrickym schemam / Electric schemes general info 2
Popisy a schemy vstrekovacich systemov / Description and schemes of injection systems
Schema klimatizacie / Scheme of air condition
Dialové ovládanie / Remote controller
Popis chipu TEA5500 / TEA5500 chip description
- english, pdf
Prekodovanie ovladaca / Controller recode
- english, text
Prekodovanie ovladaca / Controller recode
- english, jpg
Obrázok ovládača / Controller picture
- english, jpg
Od zobrazené 35060 x.
© 2005-2009 :: by bxclub.cz, optimalizováno pro rozlišení 1024x768,
Mozilla Firefox
v2.4
Hledej
Hladat v:
Diskuzní fórum
Uživatelé
SEARCHING ...
Diskuzní fórum
|
Inzerce
|
Články & návody
|
Galerie
|
Srazy
|
Egaraz
|
RACING
|
*** eShop ***
Novinka
Jméno:
Heslo:
Trvale přihlásit?
Nová Registrace
Rubriky/články
Historie Citroënu
Jak kupovat BX
Technická data
-
Elektrika
--
El. schémata
--
Palubka - kontrolky
--
Palubka - budíky
--
Pojisty, žárovky, aj...
--
Klimatizacia
--
ABS
-
Hydraulika
-
Motor
-
Karoserie
-
Manuály/Súbory na stažení
-
Automaticke prevodovky
Opravy + úpravy
Servisy, bazary, aj.
Užitečné informace
Srazy BXclubu
Ke stažení
Video
Uživatelé online
Nastavení
Hosti
Operační systém
Prohlížeč
Nálada
C.C.C.A
Poslední záznam:
Jan Kalna
Poslední komentář:
oprava
Hodnocení:
Posl. registrovaní
Michal BX
Karlito7
Gentleman
Auto dne
Majitel auta dne je:
zorzo
Poslední obrázky
Citroen BX 1.9 16V Technické
(kat)
Citroen BX 1.9 16V Akce
(kat)
Citroen BX 1.9 16V Technické
(kat)
Citroen BX 1.9 16V Technické
(kat)
Více ...
Náhodný obrázek
Kontakty BXclub
Administrator
Zapomenuté heslo
Citroën síť
eGaraz
C.C.C.A.
Citroen C5 klub
Citroen BX klub
Univerzálni Citroen klub
Citroen XM klub
Nejnovější příspěvky
RIP Jirka Seč
15/01 23:29 Honza Fric
Chlazení motoru, chladič, přepadová hadička
18/08 18:09 endy5
Re: Informacia ohladom aktivnosti stranky
11/06 21:59 TycoonX
Může to dělat plynový potenciometr? (samovolné zvýšení otáček motoru)
10/10 11:09 endy5
Re: hledám servis pro BX
01/10 10:49 dirge25
BX opět stoupají v ceně ;-)
15/06 22:37 Honza Fric
Re: váha vzduchu
11/09 14:22 TycoonX
Re: autoradio
14/02 12:27 dirge25
Re: Kam dolít motorový olej.
27/05 22:33 TycoonX
Re: spodny cap na ramene
27/05 22:25 TycoonX
imobilizer xantia 2.0HDI
28/03 10:42 Vil
Re: BX 4x4 register
23/10 15:55 vlado
Re: motor 1,8 TD DHX
07/04 23:32 vike11
Re: automat BX 1,9D
07/04 10:59 tief
Re: Aky olej?
15/02 16:52 rambo
Inzerce
Nab.
Citroen C5, 2.0i 16V...
13/10 13:56 sanchez
Nab.
Plechové disky C5 II...
10/10 20:48 atto
Nab.
EGR Ventil na C5 II ...
10/10 20:47 atto
Nab.
C5 III 2.0 HDI Autom...
09/10 22:19 Luki_C5
Nab.
C6 3.0 HDI Exclusive
09/10 22:19 Luki_C5
Reklama